Flächenmoment und Widerstandsmoment
Tipp: Auf dieser Seite kannst du für schmale „I-Träger” gleichzeitig die Spannungen auf Knickung und Biegung berechnen.
Flächenmoment 2. Grades J (I) − Knickung
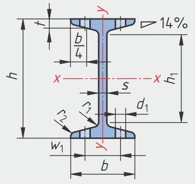
Schmale I-Träger

⇨ zum Eingabefeld S
⇨ zum Eingabefeld J
Axiales Widerstandsmoment W − Biegung
Schmale I-Träger

| Kurz- zeichen | Axiales Widerstands- moment | Axiales Widerstands- moment |
|---|---|---|
| I h × b | Wx cm³ | Wy cm³
|
| I 80 (x 42) | 19,5 | 3,00
|
| I 100 (x 50) | 34,2 | 4,88
|
| I 120 (x 58) | 54,7 | 7,41
|
| I 140 (x 66) | 81,9 | 10,7
|
| I 160 (x 74) | 117 | 14,8
|
| I 180 (x 82) | 161 | 19,8
|
| I 200 (x 90) | 214 | 26,0
|
| I 220 (x 98) | 278 | 33,1
|
| I 240 (x 106) | 354 | 41,7
|
| I 260 (x 113) | 442 | 51,0
|
| I 280 (x 119) | 542 | 61,2
|
| I 300 (x 125) | 653 | 72,2
|
| I 320 (x 131) | 782 | 84,7
|
| I 340 (x 137) | 923 | 98,4
|
| I 360 (x 143) | 1090 | 114
|
| I 380 (x 149) | 1260 | 131
|
| I 400 (x 155) | 1460 | 149
|
| I 450 (x 170) | 2040 | 203
|
| I 500 (x 185) | 2750 | 268
|
| I 550 (x 200) | 3610 | 349 |
⇦ Kapitel Kapitel ⇨
OFFIZIELLE WEBSITE VON VOLKER RÖDEL
