Flächenmoment und Widerstandsmoment
Hinweis: Auf dieser Seite kannst du für „Winkelstähle” gleichzeitig die Spannungen auf Knickung und Biegung berechnen.
Flächenmoment 2. Grades J (I) − Knickung
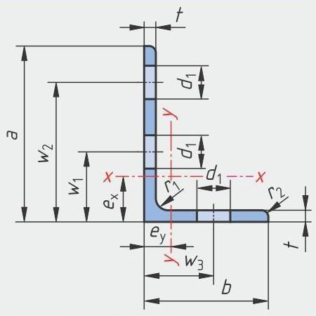
Winkelstahl

⇨ zum Eingabefeld S
⇨ zum Eingabefeld J
Axiales Widerstandsmoment W − Biegung
Winkelstahl

| Kurz- zeichen | Axiales Widerstands- moment | Axiales Widerstands- moment |
|---|---|---|
| L a × b × t | Wx cm³ | Wy cm³
|
| 30x20 x 3 | 0,62 | 0,29
|
| 30x20 x 4 | 0,81 | 0,38
|
| 40x20 x 4 | 1,42 | 0,39
|
| 40x25 x 4 | 1,47 | 0,69
|
| 45x30 x 4 | 1,91 | 0,91
|
| 50x30 x 5 | 2,86 | 1,11
|
| 60x30 x 5 | 4,07 | 1,14
|
| 60x40 x 5 | 4,25 | 2,02
|
| 60x40 x 6 | 5,03 | 2,38
|
| 65x50 x 5 | 5,14 | 3,19
|
| 70x50 x 6 | 7,01 | 3,78
|
| 75x50 x 6 | 8,01 | 3,81
|
| 75x50 x 8 | 10,4 | 4,95
|
| 80x40 x 6 | 8,73 | 2,44
|
| 80x40 x 8 | 11,4 | 3,16
|
| 80x60 x 7 | 10,7 | 6,34
|
| 100x50 x 6 | 13,8 | 3,89
|
| 100x50 x 8 | 18,2 | 5,08
|
| 100x65 x 7 | 16,6 | 7,53
|
| 100x65 x 8 | 18,9 | 8,54
|
| 100x65 x 10 | 23,2 | 10,5
|
| 100x75 x 8 | 19,3 | 11,4
|
| 100x75 x 10 | 23,8 | 14,0
|
| 100x75 x 12 | 28,0 | 16,5
|
| 120x80 x 8 | 27,6 | 13,2
|
| 120x80 x 10 | 34,1 | 16,2
|
| 120x80 x 12 | 40,4 | 19,1
|
| 125x75 x 8 | 29,6 | 11,6
|
| 125x75 x 10 | 36,5 | 14,3
|
| 125x75 x 12 | 43,2 | 16,9
|
| 135x65 x 8 | 33,4 | 8,75
|
| 135x65 x 10 | 41,3 | 10,8
|
| 150x75 x 9 | 46,7 | 13,1
|
| 150x75 x 10 | 51,6 | 14,5
|
| 150x75 x 12 | 61,3 | 17,1
|
| 150x75 x 15 | 75,2 | 21,0 |
⇦ Kapitel Kapitel ⇨
OFFIZIELLE WEBSITE VON VOLKER RÖDEL
