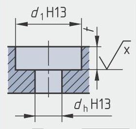
Es gilt zu beachten, dass bei Zylindersenkungen für Zylinderkopfschrauben nach
In der Tabelle sind die gängigsten Gewindegrößen aufgeführt.
Im Regelfall wird die Reihe „mittel” verwendet.
| Gewinde- größe d | Durch- gangs- loch dh fein | Durch- gangs- loch dh mittel | Durch- gangs- loch dh grob |
|---|---|---|---|
| M2 | 2,2 | 2,4 | 2,6
|
| M3 | 3,2 | 3,4 | 3,6
|
| M4 | 4,3 | 4,5 | 4,8
|
| M5 | 5,3 | 5,5 | 5,8
|
| M6 | 6,4 | 6,6 | 7
|
| M8 | 8,4 | 9,0 | 10
|
| M10 | 10,5 | 11,0 | 12
|
| M12 | 13 | 13,5 | 14,5
|
| M16 | 17 | 17,5 | 18,5
|
| M20 | 21 | 22 | 24
|
| M24 | 25 | 26 | 28
|
| M30 | 31 | 33 | 35
|
| M36 | 37 | 39 | 42
|
| M42 | 43 | 45 | 48
|
| M48 | 50 | 52 | 56
|
| M56 | 58 | 62 | 66
|
| M64 | 66 | 70 | 74 |
z. B. für Schrauben ISO 4762, DIN 6912, DIN 7984
In der Tabelle sind die gängigsten Gewindegrößen aufgeführt.
| Gewinde- größe d | Durch- gangs- loch dh mittel | Zylinder- senkung d1 | Tiefe der Senkung t |
|---|---|---|---|
| M3 | 3,4 | 6,5 | 3,4
|
| M4 | 4,5 | 8,0 | 4,4
|
| M5 | 5,5 | 10,0 | 5,4
|
| M6 | 6,6 | 11,0 | 6,4
|
| M8 | 9,0 | 15,0 | 8,6
|
| M10 | 11,0 | 18,0 | 10,6
|
| M12 | 13,5 | 20,0 | 12,6
|
| M16 | 17,5 | 26,0 | 16,6
|
| M20 | 22,0 | 33,0 | 20,6
|
| M24 | 26,0 | 40,0 | 24,8
|
| M30 | 33,0 | 50,0 | 34,0
|
| M36 | 39,0 | 58,0 | 37,0 |
In der Tabelle sind die gängigsten Gewindegrößen aufgeführt.
| Gewinde- größe d | Durch- gangs- loch d1 mittel | Kegel- senkung d2 | Tiefe der Senkung t |
|---|---|---|---|
| M3 | 3,4 | 6,9 | 1,8
|
| M4 | 4,5 | 9,2 | 2,3
|
| M5 | 5,5 | 11,5 | 3,0
|
| M6 | 6,6 | 13,7 | 3,6
|
| M8 | 9,0 | 18,3 | 4,6
|
| M10 | 11,0 | 22,7 | 5,9
|
| M12 | 13,5 | 27,2 | 6,9
|
| M16 | 17,5 | 34,0 | 8,2
|
| M20 | 22,0 | 40,7 | 9,4 |
z. B. für Steckschlüsseleinsätze DIN 3124
In der Tabelle sind die gängigsten Gewindegrößen aufgeführt.
| Gewinde- größe d | Durch- gangs- loch dh mittel | Zylinder- senkung d1 | Tiefe der Senkung t |
|---|---|---|---|
| M4 | 4,5 | 13,0 | 3,2
|
| M5 | 5,5 | 15,0 | 3,9
|
| M6 | 6,6 | 18,0 | 4,4
|
| M8 | 9,0 | 24,0 | 5,7
|
| M10 | 11,0 | 28,0 | 6,8
|
| M12 | 13,5 | 33,0 | 8,1
|
| M16 | 17,5 | 40,0 | 10,6
|
| M20 | 22,0 | 46,0 | 13,1
|
| M24 | 26,0 | 58,0 | 15,8
|
| M30 | 33,0 | 73,0 | 19,7
|
| M36 | 39,0 | 82,0 | –
|
| M42 | 45,0 | 98,0 | – |
Senkungen werden überall dort eingesetzt, wo eine bündige Bauteiloberfläche gewünscht ist. Der Schraubenkopf bildet dann keine Störkontur mehr. Oft werden Senkungen auch aus optischen Gründen verwendet oder um überlange Schrauben zu vermeiden.
Die Wahl der Senkung hängt von der Belastung der Schraube und von der Materialdicke bzw. den Materialeigenschaften des Bauteils ab.
⇦ Kapitel Kapitel ⇨